Контакты
Новости
Каталоги
Наличие по Excel
 Войти
Сортировать:
Сначала новые
Сначала старые
Цена ↑
Цена ↓
Кол-во ↑
Кол-во ↓
Имя A→Я
Имя Я→A
Серийник ↑
Серийник ↓
AGCO4391727M1
1 207 ₽
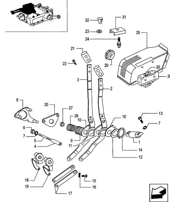
5093733 - Гайка
74 ₽
504345096 - банджо-болт
2 430 ₽
5094626 - секция крыла
3 451 ₽
5094624 - крышка
43 ₽
AGCO3973477M1
1 206 ₽
5094622 - прокладка
260 ₽
5094612 - шланг
200 ₽
AGCO3971645M1
1 206 ₽
5093711 - наконечник
4 366 ₽
5094593 - Муфта
18 013 ₽
5094588 - шестерня
69 168 ₽
AGCO3970529M1
1 206 ₽
5094584 -
2 420 ₽
5094564 - Болт
3 825 ₽
AGCO3911029M1
1 206 ₽
5093688 - наконечник
14 197 ₽
504345093 - Трубопровод
24 052 ₽
504341194 - прокладка
260 ₽
5094550 - Кронштейн
441 ₽
5094548 - Рычаг
2 031 ₽
AGCO3792488M3
1 206 ₽
5094538 - рычаг
13 688 ₽
5094537 - рычаг
3 737 ₽
«
<
1
...
12
13
14
15
16
...
34117
>
»
Страница:
Перейти